Engine and Installation Components: 868091
|
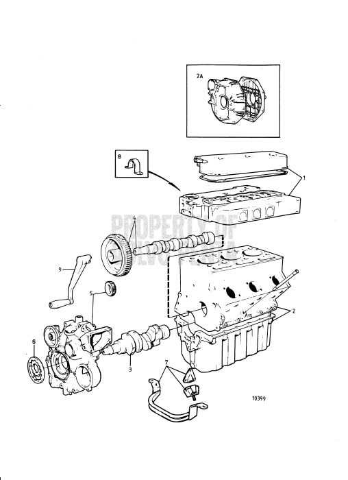
1. |
Cylinder Head (11532)
SUGGESTED QTY:1
2003T
VIEW DETAILS
|
|
|
1. |
Cylinder Head (11533)
SUGGESTED QTY:1
2003T
VIEW DETAILS
|
|
|
2A. |
Flywheel Cover (11548)
SUGGESTED QTY:1
2001, 2001B, 20...
VIEW DETAILS
|
|
|
2. |
Cylinder Block: A (11544)
SUGGESTED QTY:1
2003, 2003T, 20...
VIEW DETAILS
|
|
|
3. |
Crankshaft and Related Parts (881504)
SUGGESTED QTY:1
2003T
VIEW DETAILS
|
|
|
4. |
Camshaft and Valve Mechanism: A (954502)
SUGGESTED QTY:1
2003, 2003T, 20...
VIEW DETAILS
|
|
|
5. |
Timing Gear Cover and Gears: A (11587)
SUGGESTED QTY:1
2003, 2003T, 20...
VIEW DETAILS
|
|
|
6. |
Lubricating System (11593)
SUGGESTED QTY:1
2003, 2003B, 20...
VIEW DETAILS
|
|
|
7. |
Engine Suspension: A (11604)
SUGGESTED QTY:1
2003T, 120S-C, ...
VIEW DETAILS
|
|
|
8. |
Lift iron (860419)
Price: $292.00SUGGESTED QTY:1
VIEW DETAILS
|
10 Items