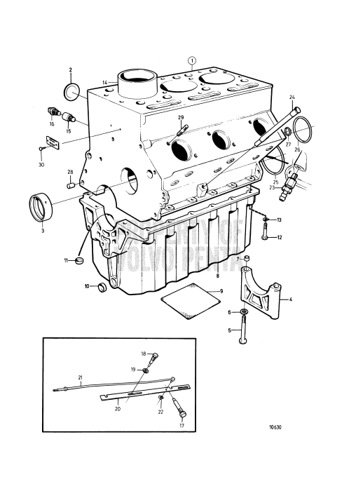
Cylinder Block with Cylinder Liners Medium Duty
|
1. |
Cylinder block (860235)
Price: $99,999.00SUGGESTED QTY:1
With o-ring gro...
VIEW DETAILS
|
|
|
3. |
Bushing (463360)
Price: $99,999.00SUGGESTED QTY:2
Obsolete part
VIEW DETAILS
|
|
|
7. |
Guide sleeve (3875305)
Price: $99,999.00SUGGESTED QTY:2
Obsolete part
VIEW DETAILS
|
|
|
8. |
Oil sump (844910)
Price: $971.00SUGGESTED QTY:1
Replaced by 1ea...
VIEW DETAILS
|
|
|
9. |
Strainer (840588)
Price: $99,999.00SUGGESTED QTY:1
Obsolete part
VIEW DETAILS
|
|
|
13. |
Spring washer (941907)
Price: $0.70SUGGESTED QTY:4
VIEW DETAILS
|
|
|
17. |
Screw (840312)
Price: $99,999.00SUGGESTED QTY:2
Obsolete part
VIEW DETAILS
|
|
|
20. |
Control rod (840582)
Price: $99,999.00SUGGESTED QTY:1
Obsolete part
VIEW DETAILS
|
|
|
24. |
Tube (840846)
Price: $99,999.00SUGGESTED QTY:1
Obsolete part
VIEW DETAILS
|
9 Items