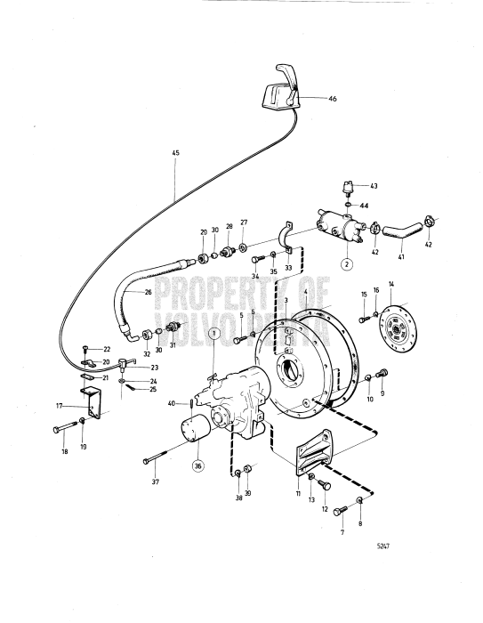
Reverse Gear Twin Disc MG502 and Installation Components
|
2. |
Oil cooler (842240)
Price: $2,434.00SUGGESTED QTY:1
VIEW DETAILS
|
|
|
2. |
Oil Cooler: 842240 (15351)
SUGGESTED QTY:1
VIEW DETAILS
|
|
|
3. |
Intermediate section (866040)
Price: $947.00SUGGESTED QTY:1
VIEW DETAILS
|
|
|
4. |
Gasket (862623)
Price: $55.10SUGGESTED QTY:1
VIEW DETAILS
|
|
|
6. |
Spring washer (942336)
Price: $0.30SUGGESTED QTY:1
VIEW DETAILS
|
|
|
8. |
Spring washer (942336)
Price: $0.30SUGGESTED QTY:1
VIEW DETAILS
|
|
|
11. |
Bracket (842514)
Price: $424.90SUGGESTED QTY:1
S.B
VIEW DETAILS
|
|
|
14. |
Absorber (848602)
Price: $99,999.00SUGGESTED QTY:1
VIEW DETAILS
|
|
|
16. |
Spring washer (942336)
Price: $0.30SUGGESTED QTY:1
VIEW DETAILS
|
|
|
17. |
Bracket (844058)
Price: $99,999.00SUGGESTED QTY:1
Obsolete part
VIEW DETAILS
|
|
|
19. |
Spring washer (941907)
Price: $0.70SUGGESTED QTY:3
VIEW DETAILS
|
|
|
23. |
Cube (813674)
Price: $99,999.00SUGGESTED QTY:1
Obsolete part
VIEW DETAILS
|
|
|
26. |
Hose assembly (837935)
Price: $295.00SUGGESTED QTY:2
VIEW DETAILS
|
|
|
28. |
Fitting (943755)
Price: $99,999.00SUGGESTED QTY:2
VIEW DETAILS
|
|
|
30. |
Ferrule (980782)
Price: $7.10SUGGESTED QTY:4
VIEW DETAILS
|
|
|
33. |
Tensioning band (846242)
Price: $99,999.00SUGGESTED QTY:1
(842244), Obsol...
VIEW DETAILS
|
|
|
35. |
Spring washer (941907)
Price: $0.70SUGGESTED QTY:3
VIEW DETAILS
|
|
|
41. |
Connecting hook (829053)
Price: $126.99SUGGESTED QTY:1
VIEW DETAILS
|
|
|
43. |
Oil pressure sensor, pressure sensor reverse gear (866840)
Price: $357.00SUGGESTED QTY:1
See group 4A
VIEW DETAILS
|
19 Items