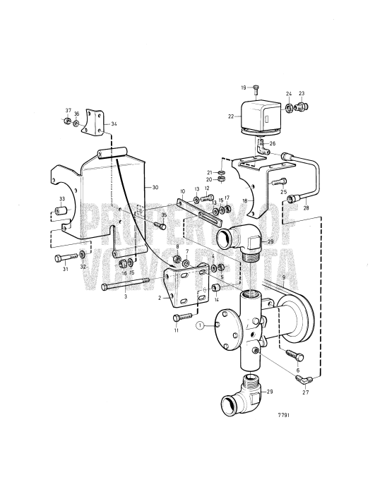
Bilge Pump and Installation Components
|
1. |
Flushing Pump 11/4'' Bilge Pump 2'': A (16936)
SUGGESTED QTY:1
VIEW DETAILS
|
|
|
2. |
Bracket (847275)
Price: $99,999.00SUGGESTED QTY:1
Obsolete part
VIEW DETAILS
|
|
|
7. |
Spring washer (942336)
Price: $0.30SUGGESTED QTY:3
VIEW DETAILS
|
|
|
9. |
V-belt (863186)
Price: $43.10SUGGESTED QTY:1
VIEW DETAILS
|
|
|
10. |
Tensioner (843819)
Price: $99,999.00SUGGESTED QTY:1
Obsolete part
VIEW DETAILS
|
|
|
15. |
Spring washer (941907)
Price: $0.70SUGGESTED QTY:1
VIEW DETAILS
|
|
|
17. |
Lock nut (945467)
Price: $1.90SUGGESTED QTY:1
VIEW DETAILS
|
|
|
19. |
Cross recessed screw (950005)
Price: $99,999.00SUGGESTED QTY:4
Obsolete part
VIEW DETAILS
|
|
|
27. |
Elbow nipple (954343)
Price: $99,999.00SUGGESTED QTY:1
Obsolete part
VIEW DETAILS
|
|
|
30. |
Bracket (847274)
Price: $99,999.00SUGGESTED QTY:1
Obsolete part
VIEW DETAILS
|
|
|
33. |
Spacer ring (910399)
Price: $99,999.00SUGGESTED QTY:1
Obsolete part
VIEW DETAILS
|
|
|
34. |
Bracket (847276)
Price: $99,999.00SUGGESTED QTY:1
Obsolete part
VIEW DETAILS
|
|
|
36. |
Spring washer (941907)
Price: $0.70SUGGESTED QTY:1
VIEW DETAILS
|
13 Items