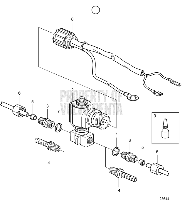
Fuel Valve

2  Items
Grouped product items
Product Name Qty
Solenoid valve
$320.00
Nipple
$6.40
Hose nipple
$18.70
Ferrule
$2.40
Fitting nut
$6.40
Gasket
$1.80
Wiring harness
$175.00
Locking fluid
$22.90