Hot Water Outlet
|
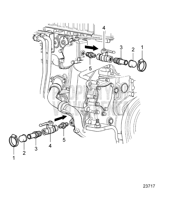
1. |
Hose clamp (994560)
Price: $7.60SUGGESTED QTY:2
VIEW DETAILS
|
|
|
2. |
Plastic plug (845422)
Price: $11.20SUGGESTED QTY:2
VIEW DETAILS
|
|
|
3. |
Hose nipple (961657)
Price: $9.00SUGGESTED QTY:2
VIEW DETAILS
|
|
|
4. |
Ball valve (1140097)
Price: $97.10SUGGESTED QTY:2
VIEW DETAILS
|
4 Items